| Sign In | Join Free | My xuijs.com |
|
Brand Name : Noker
Model Number : NKS300-250-10
Certification : ISO9001
Place of Origin : China
MOQ : 1 set
Price : To be discussed later
Supply Ability : 300 set per month
Packaging Details : Wooden Packing
Delivery Time : 10-15 work days
Payment Terms : L/C, T/T, Western Union
Material : Aluminum Zinc Plate
Size : Can Be Combined With KYN28 Switchgear
Maintenance : convenient
Reliability : All circuit boards undergo strict aging test
Communication : Modbus-RTU
Protection : Perfect motor protection
Three Phase AC10KV Medium Voltage 250KW Squirrel-Cage Asynchronous Electric Motor Soft Starter With Modbus Communication
Three Phase AC10KV Medium Voltage 250KW Squirrel-Cage Asynchronous Electric Motor Soft Starter With Modbus Communicatio is widely used in electric industry with rated voltage 3000 to 10000V,building materials chemical industry,metallurgy,steel and paper-making industries etc.,and can perform well if used together with various kinds of electromechanical devices including water pumps,fans,compressors,crashers,agitators and conveyer belt etc.,It is the ideal device for starting and protecting high voltage motors.
NKS300 series high voltage solid starter is a high voltage motor soft starter designed with up-to date concept,and mainly applicable to the control of and protection for the starting and stopping of squirrel-cage type asynchronous ans synchronous motors.The starter is composed of several thyristors in series-parallel,and it can meet different current and voltage requirements.
Technical Indicators
| Basic parameters | |
| Type of load | Three-phase squirrel cage asynchronous and synchronous motors |
| AC voltage | 3000---10000VAC |
| Service frequency | 50HZ/60HZ±2HZ |
| Phase sequence | Allowed to work with any phase sequence |
| Composition of major loop | (12SCRS,18SCRS,30SCRS depend on model) |
| Bypass contactor | Contactor with direct starting capacity |
| Control power | AC220V±15% |
| Transient voltage overload protection | dv/dt snubber network |
| Start frequency | 1-3 times per hour |
| Ambient condition | Ambient temperature: -20°C -+50°C |
| Relative humidity: 5%----95% no condensation | |
| Altitude less than 1500m (derating when altitude is more than 1500m) | |
| Protective functions | |
| Open-phase protection | Cut off any phase of primary power supply in the course of starting or operation. |
| Over-current protection in operation | Operational Over-current protection setting: 20~500%Ie |
| Unbalanced phase current protection | Unbalanced phase current protection: 0~100% |
| Overload protection | 10A,10,15,20,25,30,OFF |
| Underload protection | Underload protection grade: 0~99% Action time of underload protection: 0~250S |
| Start timeout | Start time limit: 0~120S |
| Over-voltage protection | When voltage of primary power supply is 120% higher than rated value, over-voltage protection is enabled. |
| Under-voltage protection | When voltage of primary power supply is 70% lower than rated value, under-voltage protection is enabled. |
| Phase protection | Allow to work with any phase sequence (through setting parameter) |
| Ground protection | Protection available when grounding current is higher than set value |
| Description of communication | |
| Protocol | Modbus RTU |
| Communication interface | RS485 |
| Network connection | Each can communicate with 31 equipments in network. |
| Function | Operation state and programming can be observed through communication interface. |
| Operating interface | |
| LCD display | LCD display/touch screen display |
| Language | Chinese and English |
| Keyboard | 6 touch membrane keyboard |
| Meter display | |
| Voltage of primary power supply | Display voltage of three-phase primary power supply |
| Three-phase current | Display current of three-phase major loop |
| Data record | |
| Fault history | Record recent 15 faults information |
| History of number of starts | Record number of starts of this soft starter |
Catalogue
| Voltage | Model | Rated Current (A) | W (mm) | H(mm) | L (mm) |
| 3000V | NKS300-400-3 | 100 | 1000 | 2300 | 1500 |
| NKS300-630-3 | 150 | ||||
| NKS300-1600-3 | 400 | 1300 | 2300 | 1600 | |
| NKS300-2500-3 | ≥600 | Reserved | |||
| 6000V | NKS300-420-6 | 50 | 1000 | 2300 | 1500 |
| NKS300-630-6 | 75 | ||||
| NKS300-1250-6 | 150 | ||||
| NKS300-1600-6 | 200 | 1300 | 2300 | 1600 | |
| NKS300-2500-6 | 300 | ||||
| NKS300-3300-6 | 400 | ||||
| NKS300-4150-6 | 500 | ||||
| NKS300-5000-6 | ≥600 | Reserved | |||
|
10000V | NKS300-420-10 | 30 | 1000 | 2300 | 1500 |
| NKS300-630-10 | 45 | ||||
| NKS300-800-10 | 60 | ||||
| NKS300-1250-10 | 90 | ||||
| NKS300-1500-10 | 110 | ||||
| NKS300-1800-10 | 130 | ||||
| NKS300-2250-10 | 160 | ||||
| NKS300-2500-10 | 180 | ||||
| NKS300-2800-10 | 200 | ||||
| NKS300-3500-10 | 250 | ||||
| NKS300-4000-10 | 280 | ||||
| NKS300-4500-10 | 320 | 1300 | 2300 | 1600 | |
| NKS300-5500-10 | 400 | ||||
| NKS300-6000-10 | 430 | ||||
| NKS300-7000-10 | 500 | ||||
| NKS300-8500-10 | ≥600 | Reserved | |||
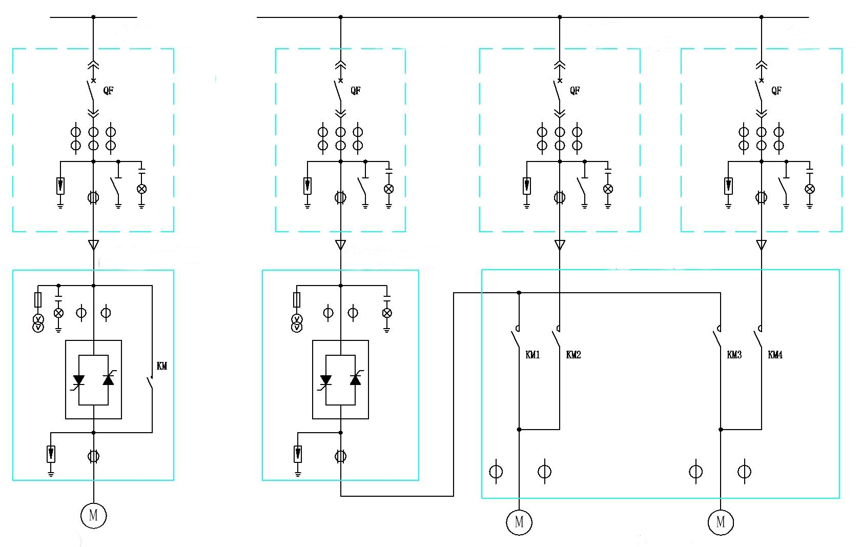
Connection Diagram


NKS300 series products are designed to be free of maintenance. Like other electric equipments, this equipment should be regularly checked for fear of dust pollution, damp and environmental pollution resulted from industrial production. Serious pollution may result in high voltage discharge and affect the heat dissipation of SCR's cooler.
1 Fault analysis
When a fault occurs, the corresponding fault information will be displayed on LCD touch screen. The motor should be restarted after the fault is cleared. If the fault still can not be cleared using correct operating method and program processing, please contact the manufacturer.
2 Fault code
The soft starter has multiple protective functions. When the protective functions act, the soft starter will stop immediately and the current fault information will be displayed on LCD screen, touch screen and panel. Users can analyze and clear faults according to fault information.
| Fault code | Fault | Cause | Troubleshooting |
| 01 | Primary power phase loss | Phase loss in starting or operation. | Check the reliability of three-phase power |
| 02 | Phase sequence error | Phase sequence reservedly connected. | Adjust phase sequence or set phase sequence free of check. |
| 03 | Parameters lost | Set parameters lost | Check functions setting and reset |
| 04 | Freq error | Poor quality of power grid? | Check whether the power quality is found to range? |
| 05 | Over-current in operation | Load suddenly becomes heavy. Load variation is too large. | Adjust load running state Adjust 1M13 |
| 07 | Unbalanced phase current | Phase loss or phase voltage is unbalanced | Adjust 1M12 |
| 08 | Thyristor overheat | Internal cooler is overheat The starter is not well ventilated. | Check the qualification of fan Lower start frequency Check if the control power voltage is too low. |
| 09 | Internal prohibition | Violate operating instruction | Ensure operating instruction |
| 10 | Start timeout | Overburdened and start time is too short. Current limiting amplitude is too small. | Adjust ramp time 1M04 Adjust current limiting amplitude 1M05 |
| -- | Over-voltage protection | Power voltage of major loop is higher than set value | Adjust over-voltage protection value Check if primary power voltage if too high. |
| -- | Under-voltage protection | Power voltage of major loop is lower than set value | Adjust Under-voltage protection value Check if primary power voltage is too low. |
| -- | Ground protection | Ground current is larger than allowed value | Check if there is ground current. |
| -- | Frequent start protection | Frequent start | Reduce start frequency |
| 13 | Electronic thermal overload | The duration of heavy current is too long. Overload operation or not. | Check if motor current is wrongly set. Overload or not. |
| 14 | Abnormal SCR | SCR works abnormally Output phase loss for soft starter | Check whether SCR is damaged. Check whether input or output of soft starter lacks phase. |
3 Fault history.
This starter can at most record the recent 15 faults information for users.
4 Troubleshooting
As fault has memory, after fault is cleared, you can reset fault through pressing button "STOP" for above 4 seconds, external fault clearance input terminal (D1 or D2 multifunction input) or cutting off AC220V control power to restore the starter to the state of ready to start.
5 Maintenance
The working field should be regularly cleaned to reduce dust in ambient environment.The low and high voltage bins of NKS300 series high voltage soft starter should be regularly cleaned. It is necessary to use a brush or blower to remove dust inside bin (period less than 20 days)
It is also important to clean thyristor valve block. A blower with big power can be used to clean the valve block by blowing from up to down. Clean the field after blowing the thyristor valve block (period less than 6 months)
To ensure the normal operation, NKS300 series high voltage soft starter should be regularly dehumidified if the working field is wet. (Period is depended on the circumstance)
Considering that there is shake in working field when the soft starter is started, the secondary control wiring of NKS300 series high voltage soft starter should be regularly checked to examine whether the connecting terminal is loose. If yes, tighten the loose connecting terminal. (3 months as a period)
Packaging

|
|
Three Phase Solid State Soft Starter Medium Voltage 250KW With Modbus Communication Images |